热搜关键词: 定制IC测试座 IC老化板 模块测试座 SSD-flash存储





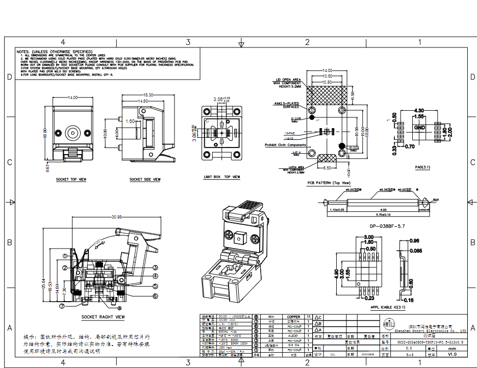
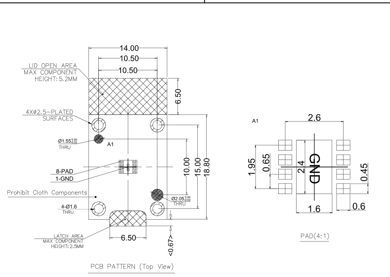
定制TSOP10pin芯片测试座参数:
绝缘阻抗:1000mΩMin.At DC 500V
耐电压:For 1 Minute AtAC 700V
接触阻抗:30mΩ MAX。at 10mA and 20mV MAX.(Initial)
额定电流:1Amax/Pin.
工作温度:-45°C~+125°C
使用寿命:15,000 Times(Mechanical)
操作力:1.0Kg MAX
测试座结构:翻盖式
测试座材料:PEI+PEEK
SOP/SOIC 系列翻盖式芯片测试座:Support EEPROM, Driver IC,Power IC etc SOP Package IC.。
SOP封装是元件封装的一种形式,常用的封装材料有:塑料、陶瓷、玻璃、金属等,基本上采用塑料封装,应用范围广泛,主要用于各种集成电路。
根据两排引脚之间的宽度,双排成直线型:一般有7.4~7.62 mm、10.16 mm、12.7mm、15.24 mm等。
根据双列平包装两柱间的宽度(包括引线长度),一般为6~6.5± mm,7.6mm,10.5~10.65 mm等。
IC测试座
SOP芯片测试socket
SOP芯片测试夹具
SOP芯片测试座
芯片测试夹具
芯片测试座
咨询热线
0755-83587595