热搜关键词: 定制IC测试座 IC老化板 模块测试座 SSD-flash存储





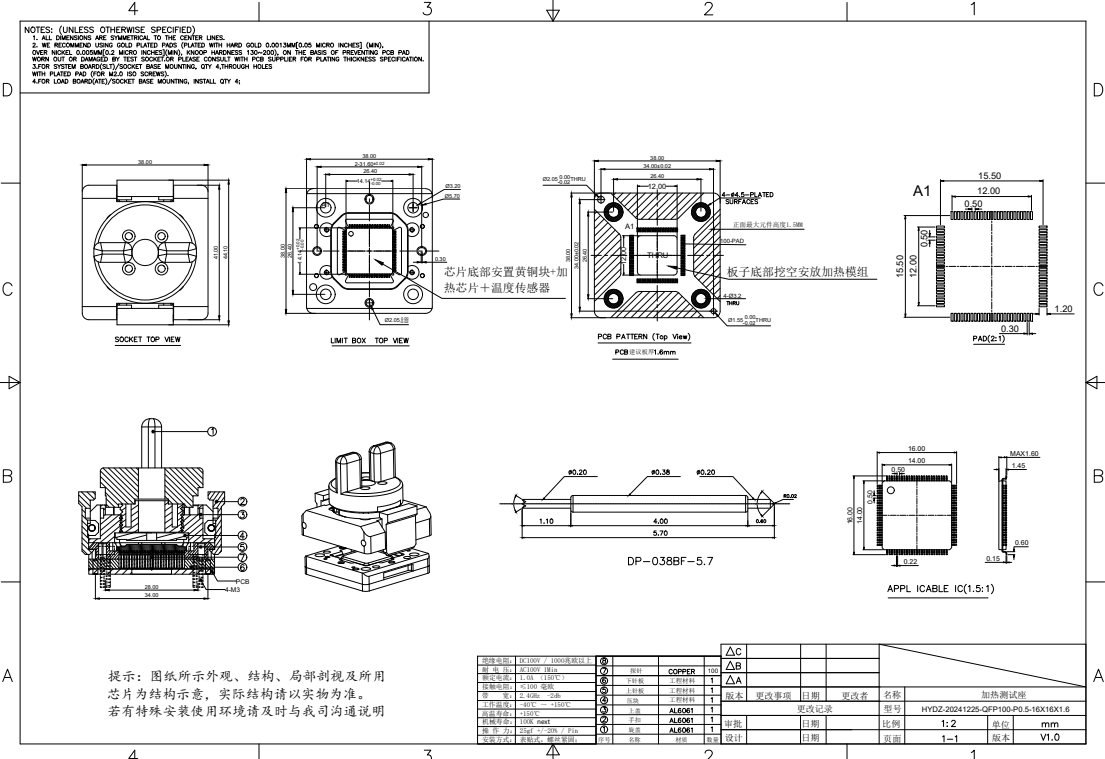
QFP100pin-0.5mm芯片测试座产品特点及规格
Socket本体:合金+PEEK
Socket结构:旋钮翻盖式
探针材料:铍铜
探针镀层:镍金
操作压力:2.OKGmin,pin数越多压力越大
接触阻抗:50mΩmax
耐压测试:700V AC for lminute
绝缘阻抗:1000m500V DC
最大电流:1A
使用温度:-45°C-+125*C
机械寿命:大于15000次(机械测试)
QFP/LQFP/TQFP/OTQ封装翻盖结构测试座支持 EEPROM,驱动器IC,电源IC等。
QFP封装是元件封装的一种形式,常用的封装材料有:塑料、陶瓷、玻璃、金属等,基本上采用塑料封装,应用范围广泛,主要用于各种集成电路。
测试座分为翻盖(旋钮)和下压、双扣式结构,现有适配芯片尺寸间距为:0.4、0.5、0.65、0.8、1.0、1.27mm
IC测试插座
QFP100pin测试座
QFP100pin测试夹具
QFP芯片测试夹具
QFP芯片测试座
芯片测试座
咨询热线
0755-83587595