热搜关键词: 定制IC测试座 IC老化板 模块测试座 SSD-flash存储





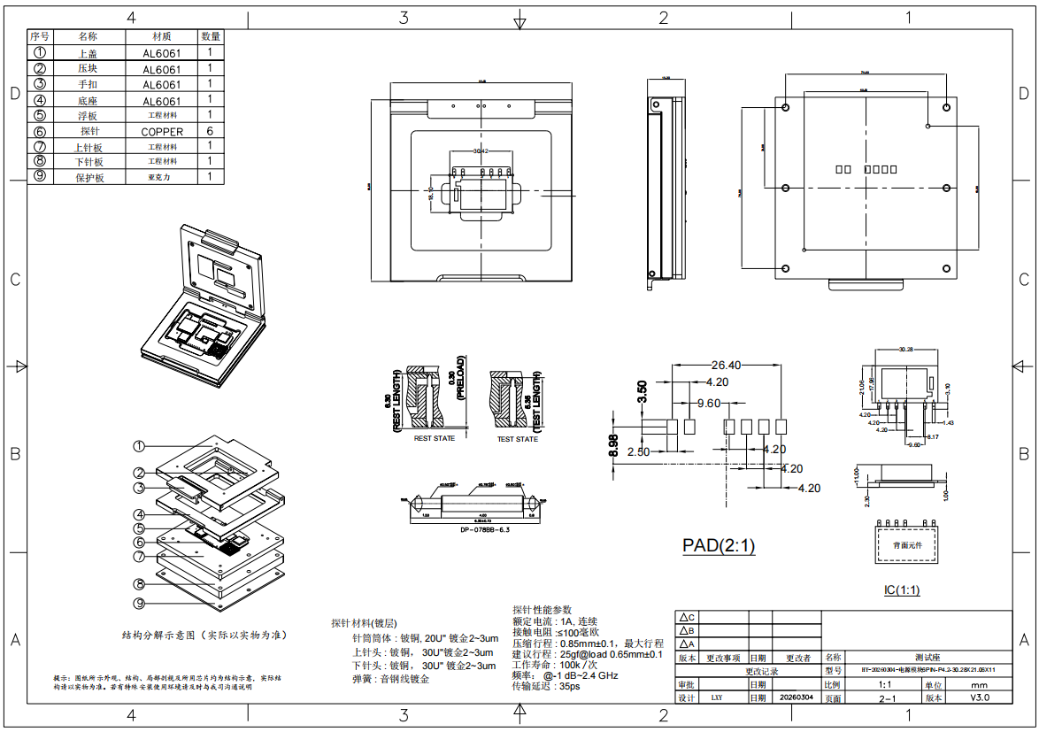
电源模块CAS05-4.2芯片测试座产品特点:
体积小:整体尺寸最小可做到10MM*10MM*6.0MM
可做高频率测试:最高频率可达-1~-3dB@30GHz
定位精准度高:加工工艺可达 -+0.01MM
寿命长:寿命可达10万次(探针机械寿命可达15-20万)
稳定性高:采用合金材料,耐磨损20-30万次,耐高低温-45~+125。
可维护性高:采用模块化设计,全配件可单独更换。
可标准化:产品设计周期短,交货速度快。
电源模块CAS05-4.2芯片测试座产品参数
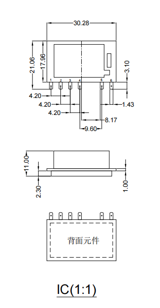
引脚位数:6pin
中心间距:4.2mm
本体尺寸: 21.06*30.28mm
芯片测试座产品特点
1、 采用翻盖式结构,操作方便;
2、上盖的IC压板采用旋钮翻盖式结构,下压平稳,压力均匀,不移位;
3、探针的爪头形突起能刺破焊接球的氧化层,接触可靠;
4、高精度的定位槽,保IC定位以及焊盘精确导通;
5、采用浮板结构有球无球都能测
6、镀金探针材料
7、探针可更换,维修方便,成本低
8、绝缘材料制作;
9、最小可做到跳距pitch=0.175mm(引脚中心到中心的距离);
IC测试座
鸿怡模块测试夹具
模块测试
模块测试夹具
模块测试座
咨询热线
0755-83587595