热搜关键词: 定制IC测试座 IC老化板 模块测试座 SSD-flash存储





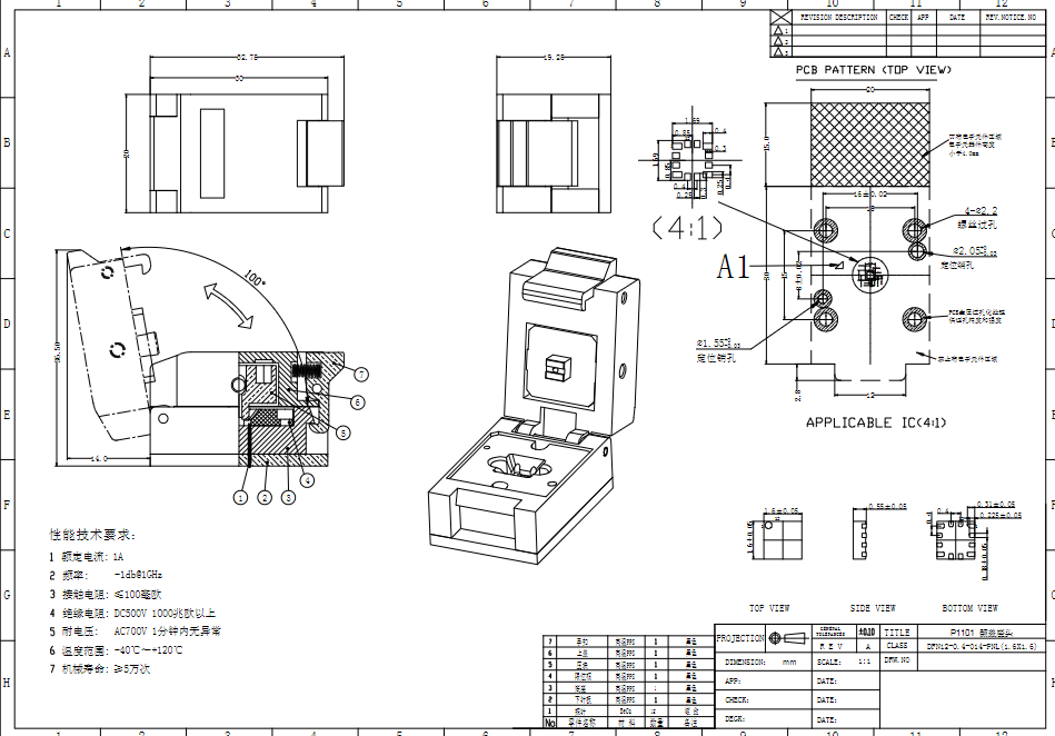
DFN12pin芯片测试座参数:
本体尺寸:1.6*1.6mm
中心引脚间距:0.4mm
Socket壳体:PEI+PEEK
测试座结构:翻盖式
探针材料:铍铜
探针镀层:镍金
操作压力:2.0KGmin,与pin数成正比
接触阻抗:50mΩmax
耐压测试:700V AC for 1minute
绝缘阻抗:1000mΩ 500V DC
最大电流:1A
使用温度:-45°C-+125°C
机械寿命:大于15000次(机械测试)
| 适用规格 | 适用于DFN封装晶圆、芯片、器件等 |
| 支持频率 | ≤300Mhz |
| 温度范围 | -45℃-125℃ |
| 操作力压 |
35g每pin,PIN越多需要压力越大 |
| 额定电流 |
单PIN1A |
| 接触电阻 | ≤100毫欧 |
| 绝缘电阻 | DC500V1000兆欧以上 |
|
QFN/DFN封装翻盖结构测试座 支持EEPROM,驱动器IC,电源IC等QFN封装,芯片测试座009系列.有翻盖式、旋钮翻盖式、双扣式、分离式结构、下压开窗结构适合自动机台 |
|
DFN测试插座
DFN12pin测试socket
DFN12pin测试夹具
DFN封装测试座
DFN芯片测试座
DFN测试socket
咨询热线
0755-83587595