热搜关键词: 定制IC测试座 IC老化板 模块测试座 SSD-flash存储





SPECIFICATION
1、绝缘阻抗:1000mΩMin.At DC 500V
2、耐电压:For1 Minute At AC 700V
3、接触阻抗:100mΩ MAX。at 10mA and 20mV MAX.(Initial)
4、支持频率:1GHz@-ldB(其他高频需沟通)
5、额定电流:1A max/Pin.
6、工作温度:-55°C ~+175°C
7、使用寿命:大于25,000
Times(Mechanical)
8、操作力:1.0Kg MAX(根据下针数量)
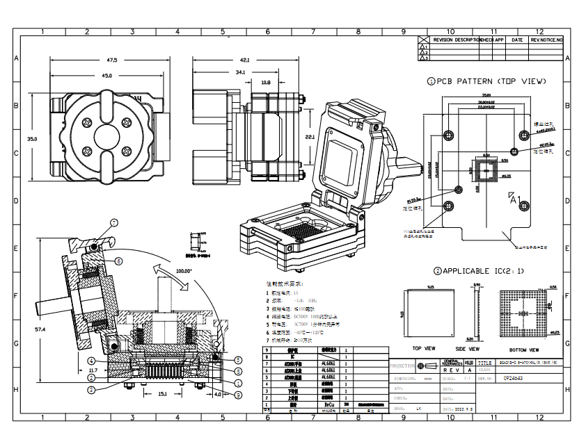
9、测试座结构:旋钮翻盖式
10、测试座材料:合金+PEEK
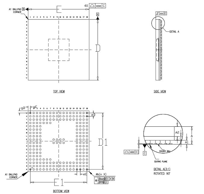
11、中心引脚间距:0.5mm
12、适配芯片尺寸:9.15*9.15mm
BGA218pin芯片测试夹具socket
BGA封装技术
BGA (Ball Grid Array)-球状引脚栅格阵列封装技术,高密度表面装配封装技术。在封装底部,引脚都成球状并排列成一个类似于格子的图案,由此命名为BGA。主板控制芯片组多采用此类封装技术,材料多为陶瓷。采用BGA技术封装的内存,可以使内存在体积不变的情况下,内存容量提高两到三倍,BGA与TSOP相比,具有更小体积,更好的散热性能和电性能。BGA封装技术使每平方英寸的存储量有了很大提升,采用BGA封装技术的内存产品在相同容量下,体积只有TSOP封装的三分之一;与传统TSOP封装方式相比,BGA封装方式有更加快速有效的散热途径。
鸿怡电子研发,生产各类封装的半导体芯片测试座,老化座,测试夹具治具,集成电路IC的Burn-in-Socket和Test-Socket,产品封装种类齐全BGA/EMMC/EMCP/QFP/QFN/SOP/SOT/TO/LGA/LCC/DDR/FPC/connector/IMU socket等。
中心引脚间距:0.5mm,BAG900pin芯片支持0.45mm,0.5mm,0.75mm,0.8mm,1.0mm,1.27mm等。
适配芯片尺寸:9.15*9.15mm
BGA封装芯片老化座
芯片测试夹具
BGA芯片测试座
BGA芯片测试socket
BGA芯片测试夹具
咨询热线
0755-83587595