热搜关键词: 定制IC测试座 IC老化板 模块测试座 SSD-flash存储






光感探测器件测试座产品特点
①开模注塑成型,精度高,电气性能稳定,生产周期短,生产成本低
②采用顶针式设计,安装拆卸方便,检修容易,PCB老化板可以重复使用
③接触材料采用进口铍铜、表层加厚镀金,接触阻抗小、弹性好、可靠性高
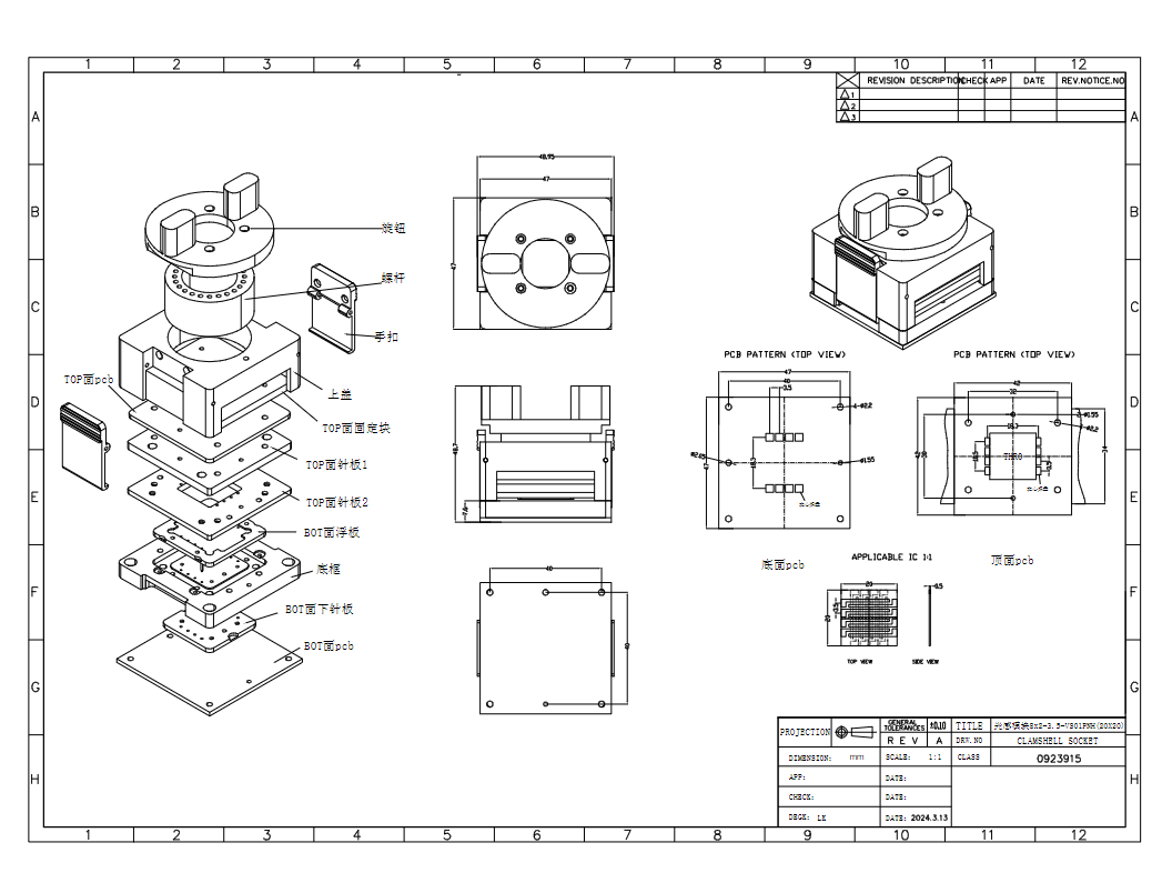
光感探测器件测试座socket产品参数
封装类型:半导体光感探测器件
引脚位数:8+8pin
中心间距:0.35mm
本体尺寸:2*2mm
测试温度:-45°~+155°
电流:单pin过流1A
探测器件测试座产品特点
1、 采用旋钮双扣式结构,操作方便;
2、上盖的IC压板采用双扣式结构,下压平稳,压力均匀,不移位;
3、探针的爪头形突起能刺破焊接球的氧化层,接触可靠;
4、高精度的定位槽,保IC定位以及焊盘精确导通;
5、采用浮板结构有球无球都能测
6、镀金探针材料
7、探针可更换,维修方便,成本低
8、绝缘材料制作;
9、最小可做到跳距pitch=0.35mm(引脚中心到中心的距离);
半导体光感探测器件测试座
光感探测器件测试夹具
半导体探测器件测试socket
光感探测器件测试座
光感探测器件测试夹具
咨询热线
0755-83587595