热搜关键词: 定制IC测试座 IC老化板 模块测试座 SSD-flash存储




连接器测试Pogo Blade 弹片电气属性
1.0.11mm厚度弹片寿命 300K
2.工作环境温度 -55~125℃
3.内阻 Pin≤50mΩ
4.绝缘阻抗 1000MΩ Min @ DC500V
5.额定电流 1A~3A
6.表面硬度 HV450~HV550
7.表面粗糙度 Ra0.1~Ra0.2
8.材料 铍铜镀镍(镀金)
9.下压只能沿着弹片从上往下纵向施压
10.不能使用在有腐蚀性的气体,液体,粉尘的环境中.
BTB连接器、FPC连接器、ZIF连接器测试微针模组、测试座、模组胶芯:
FPC/BTB Connector系列微针模组 FPC/BTB连接器微针模组主要是面向软排线组件和板对板连接器组件设备的测试连接器。该连接器要求微针模组朝着更小更精准以及更大电流更高频率的方向发展,例如手机高清摄像头模块、手机电池、各类尺寸屏幕模组等带排线产品的测试要求越来越高,高速高频大电流的产品性能以及更小的尺寸,鸿怡电子的FPC软排线微针模组以及BTB微针模组正是针对这类产品而生。
FPC测试微针模组
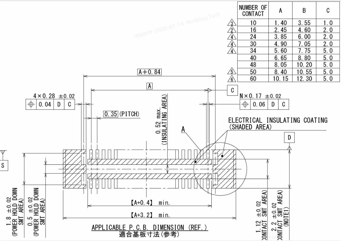
10pin-0.35弹片微针测试座
医疗连接器测试微针模组
连接器测试模组
FPC模组测试座
弹片微针测试模组
咨询热线
0755-83587595