热搜关键词: 定制IC测试座 IC老化板 模块测试座 SSD-flash存储




支持频率:≤200Mhz
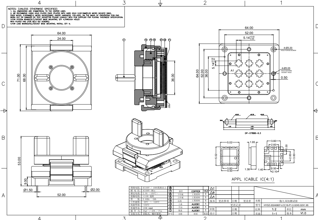
温度范围:-45℃-125℃
操作力压:30g每pin,PIN越多需要压力越大
额定电流:单PIN1A max
接触电阻:≤50毫欧
绝缘电阻:DC500V 1000兆欧以上
机械寿命:>1.5万次
中心引脚间距:0.7mm
适配模块尺寸:5*5mm
PLCC、CLCC、LCC区别:
PLCC与CLCC的区别:以前仅在于前者用塑料,后者用陶瓷。 LCC是指无引脚封装,有的也称QFN。适用芯片、模块封装。
LCC芯片测试插座
LCC6pin测试socket
LCC16pin测试夹具
LCC测试座
芯片测试夹具
一拖多工位芯片测试座
咨询热线
0755-83587595